16通道(12DI和2DO)帶2個計數器和頻率模塊的數字I / O ,帶有ModbusTCP模塊
|
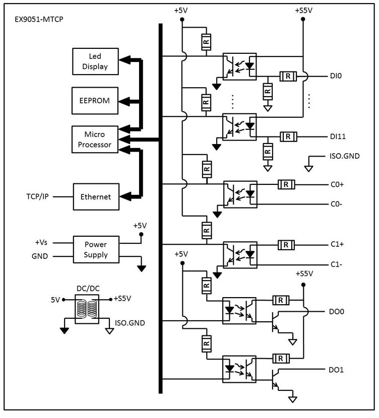
特殊功能: ■ 支持Ethernet 10/100 Based-T通信 ■ 支持Modbus / TCP,TCP / IP,UDP,ICMP,ARP協議 ■ 支持12 * DI(直接/計數器/頻率/鎖存)和2 * DO(直接/脈衝/寬度) ■ 支持 2通道計數器/頻率4.5KHz計數器(濾波器/信號寬度-H / L)/4.5KHz頻率(ValueSelect)/鎖存(H / L)輸入 ■ 支持 隔離輸入/輸出通道 ■ 支持 1KHz脈衝(頻率/寬度H / L /計數)/延遲(HL / LH寬度)輸出 ■ 支持 幹接點數字輸入類型 ■ 支持 集電極開路型數字輸出 EX9000-MTCP實用程序 TCPDAQ(以太網I / O)ActiveX控件 TCPDAQ(以太網I / O)DLL API TCPDAQ(以太網I / O)數據結構 ASCII命令 MODBUS命令 Web服務器 規格/
|
|||||||||||||||||||||||||||||||||||

